
24小时咨询热线 0792-8223700
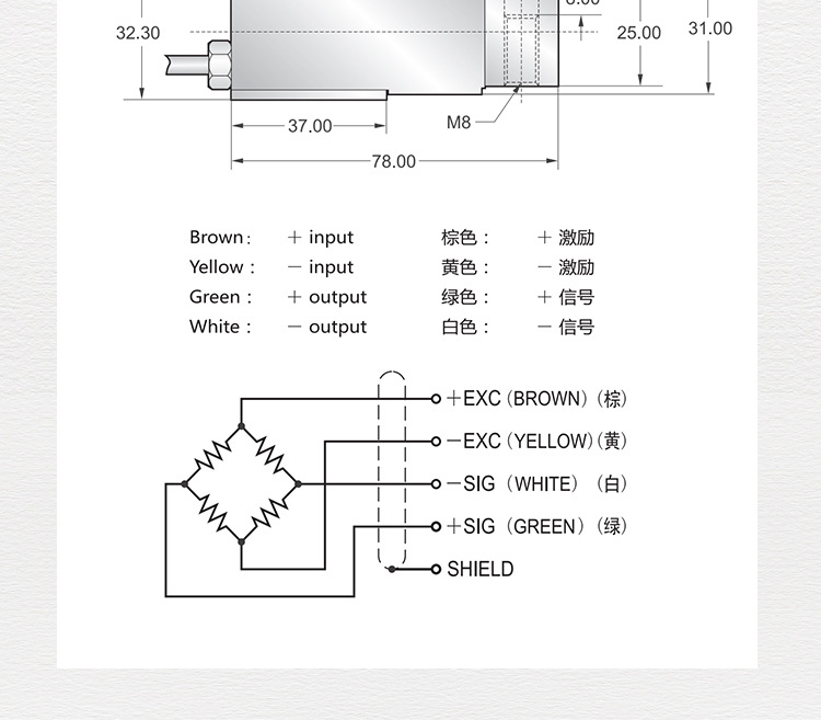
美国传力SBSK系列称重传感器完整型号可选:SBSk-25kg优质合金钢传感器,容量25kg,螺纹孔SBSk-50kg优质合金钢传感器,容量50kg,螺纹孔
SBSK-50kg称重传感器美国Transcell
美国TranscellSBSK-50kg称重传感器主要特点:悬臂梁称重传感器
优质合金钢材质,表面镀镍
高精度,高稳定性,安装简便、快速量程可选:25,50kg
适合各类搅拌站,平台秤等过程称重场合






识别二维码了解更多资讯
公司名称:数字传感器|模拟传感器|称重传感器|测力传感器|其他电阻应变式传感器|称重模块|称重仪表-[江西翼腾]专业传感器代理厂家
全国统一服务热线:
0792-8223700
13879291204
地址:江西省九江市开发区长城路121号恒盛科技园3号楼8楼808
联系:13879291204 李洁 13907028108 黄正健
地址:江西省九江市开发区长城路121号恒盛科技园3号楼8楼808
赣ICP备2020010441号-1
赣公网安备 36049002000141号